
Stens
โณ
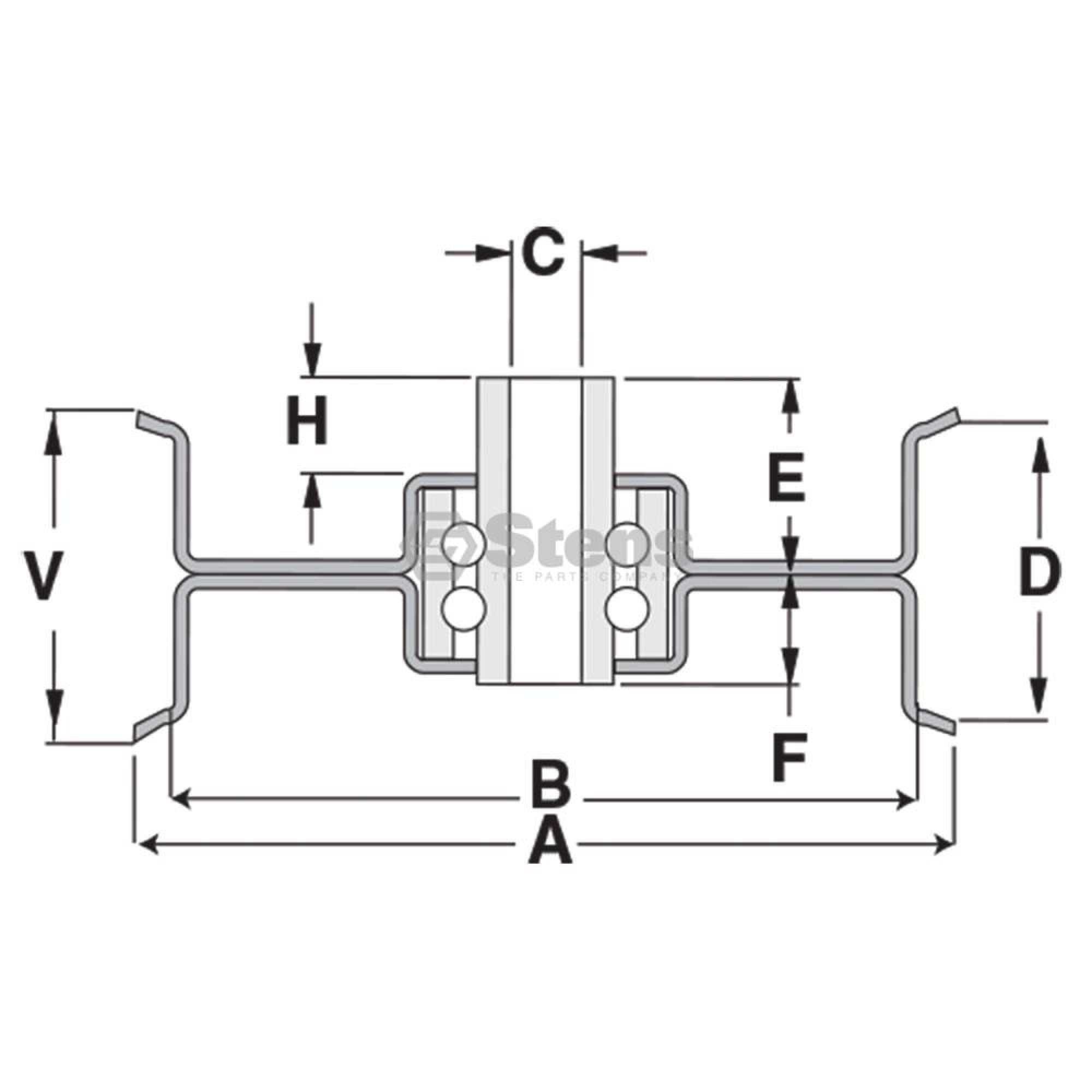
Stens 280-902 Stens Flat Idler. REPLACES OEM: MTD: 756-3105. FITS MODELS:, MTD 2002-2004 with 54" and K decks. SPECS: Height: 1 3/8", ID: 3/8", OD: 5 7/8", Material: Steel.
Customer reviews
10 Trustpilot reviews total, with 2 shown at a time.
I wrote to Bigamart's customer support and they accompanied the process of reshipping the item until it finally arrived. I felt a genuine effort to solve the problem till it was finally solved.
The package was here in Australia from England in a few days โ so quick! Something was missing and they refunded it straight away. Pretty happy with these guys.
You might also like