

Kair Smart Extract Fan Wall Plate
Options
1 availableAbout this item
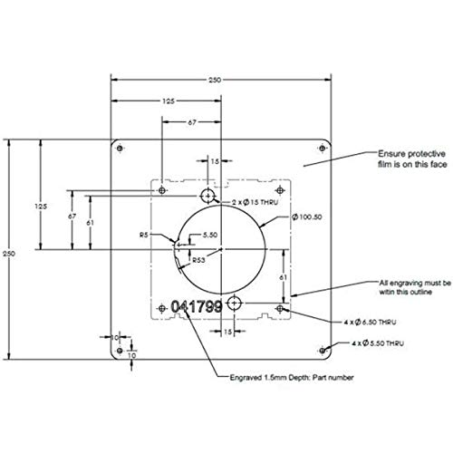
- 100m wall plate for the Kair Smart extractor fan
- Easy to install and covers up any installation damages (pilot holes etc)
- Square plastic cover with screw holes (screws included)
- Creates a neat and professional finish
Product description
Kair Smart Fan Wall Plate Designed to create a professional and neat finish to the installation of a Kair Smart fan, the Kair Smart Fan Wall Plate allows you to easily cover up any small damages created when using a core drill to drill to the outside of a building. This saves time and money on trying to find and replace identical tiles in a bathroom or kitchen. Creates a flush fitting and aesthetically pleasing finish.
Product details
Customer reviews
What customers say about Bigamart
10 Trustpilot reviews total, with 2 shown at a time.
I wrote to Bigamart's customer support and they accompanied the process of reshipping the item until it finally arrived. I felt a genuine effort to solve the problem till it was finally solved.
The package was here in Australia from England in a few days โ so quick! Something was missing and they refunded it straight away. Pretty happy with these guys.
You might also like
Similar items


STERR Bathroom Fan 150 mm with Check Valve - Golden Bathroom Fan - Quiet Operation - Modern Fan for Bathroom - Wall Fan - Reduces Humidity

STERR Bathroom Extractor Fan LFS100-QZ 100 mm with Backdraft Shutter Gold - Silent Bathroom Fan

